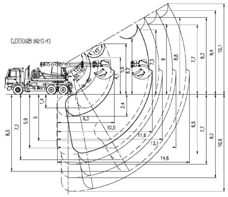
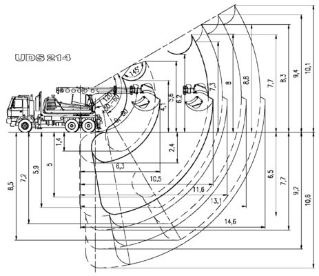
Экскаватор-планировщик UDS 114
Характеристики модификаций на экскаватор-планировщик UDS 114
Модель | Дополнительное микропередвижение (микрошаг), Да/Нет/Нет данных (Н/Д) | Грузоподъемность на макс. вылете стрелы | Грузоподъемность на мин. вылете стрелы | Объем основного ковша | Продуктивность экскавации | Максимальная глубина экскавации | Горизонтальный вылет стрелы (с невыдвинутым/выдвинутым телескопом) | Масса машины | Базовое шасси | Стоимость |
|---|---|---|---|---|---|---|---|---|---|---|
114 | Нет | 2,6 т | 7 т | 0,63 м³ | 108 м³/ч | 6,5 м | 6,3/10,5 м | 22 т | Tatra, КрАЗ, КамАЗ, МАЗ и др. | Узнать цену |
Экскаватор-планировщик UDS 114 — самоходная, универсальная обрабатывающая строительная спецмашина. Экскаватор-планировщик UDS 114 не имеет функцию микрошага (микропередвижения). Продуктивность экскавации 108–115 м³/ч. Ковш 0,63 м³.
Экскаваторы-планировщики UDS 114 устанавливаются на любое совместимое грузовое шасси с колесной формулой 6×4, 6×6.












